Spårkullager 30X62X16 Skf
1737 kr
Inkl. moms

- Info
-
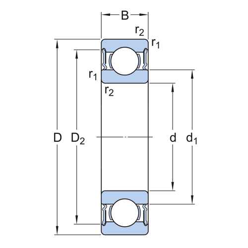
LagerstatusArtikelnummerSKFW6206-2RS1TillverkareEgenskaperMått:
- håldiameter (d) 30 mm
- ytterdiameter (D) 62 mm
- bredd (B) 16 mm
- innerringens skulderdiameter (d1) 40,7 mm
- diametern för släppningen av innerringens skuldra (d2) 40,7 mm
- diametern för släppningen av ytterringens skuldra (D2) 55,13 mm
- ytterringens fasmått (r1,2) min. 1 mm
Innbyggnadsmått:
- axelns inbyggnadsdiameter (da) min. 35 mm
- axelns inbyggnadsdiameter (da) max. 40,5 mm
- inbyggnadsdiameter för hus (Da) max. 57 mm
- kälradie (ra) max. 1 mm
Beräknade data:
- dynamiskt bärighetstal (C) 16,5 kN
- statiskt bärighetstal (C0) 11,2 kN
- utmattningsbelastning (Pu) 0,48 kN
- gränsvarvtal 7000 r/min
- beräkningsfaktor (kr) 0,03
- beräkningsfaktor (f0) 13,9 - I produktgrupper
-
Kullager
- Omdömen
-