Spårkullager 20X42X12 Skf
820 kr
Inkl. moms

- Info
-
LagerstatusArtikelnummerSKFW6004-2RS1TillverkareEgenskaperMått:
- håldiameter (d) 20 mm
- ytterdiameter (D) 42 mm
- bredd (B) 12 mm
- innerringens skulderdiameter (d1) 27,6 mm
- diametern för släppningen av innerringens skuldra (d2) 27,6 mm
- diametern för släppningen av ytterringens skuldra (D2) 38,75 mm
- ytterringens fasmått (r1,2) min. 0,6 mm
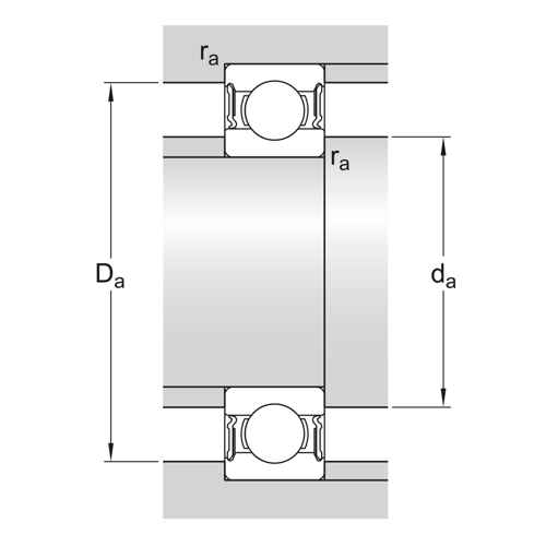
Innbyggnadsmått:
- axelns inbyggnadsdiameter (da) min. 24 mm
- axelns inbyggnadsdiameter (da) max. 27,5 mm
- inbyggnadsdiameter för hus (Da) max. 39,5 mm
- kälradie (ra) max. 0,6 mm
Beräknade data:
- dynamiskt bärighetstal (C) 8,06 kN
- statiskt bärighetstal (C0) 5 kN
- utmattningsbelastning (Pu) 0,212 kN
- gränsvarvtal 11000 r/min
- beräkningsfaktor (kr) 0,03
- beräkningsfaktor (f0) 13,9 - I produktgrupper
-
Kullager
- Omdömen
-