Luftrenare Komplett 90 Grader
3683 kr
Inkl. moms

- Info
-
LagerstatusArtikelnummerDFG100317TillverkareEgenskaper- Donaldson FPG-serien är helplastika tvåstegs luftrenare med inbyggd förrenare och RadialSeal-tätning
- enkel underhåll, korrosionsfri
- installera inte bredvid turbo, avgasgrenrör eller avgasrör
- innehåller filter
- luftflöde 8 - 11 m³/min
- lämplig för naturligt aspirerade motorer 140 - 190 hk / turboladdade motorer 120 - 170 hk (värdena är vägledande, kolla manualen för motorns luftfbehov)
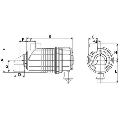
Mått (mm):
- A 268
- B 432
- C 114
- D 101,5
- E 70,5
- F 60,2
- G 120
- H 185
- J 72
- L 269
- X 390 - I produktgrupper
-
Luftrenare
- Omdömen
-