Komplett hydraulpaket 6/2, 3/8
Video

Komplett hydraulpaket 6/2, 3/8" för extrafunktion, t.ex. tredjefunktion - frontlastare

3955 kr
Inkl. moms
3-5 arbetsdagar leverans Alltid 69:- frakt exkl. moms Faktura 0kr
 
Lägg i kundvagnen
Lägg i kundvagnen
bet alt
  • Info
  • Lagerstatus
    ArtikelnummerFM2503
    TillverkareAGRILIFE
    Egenskaper3/8"
    för extrafunktion, t.ex. tredjefunktion - frontlastare
    Max. flöde 50 l/min

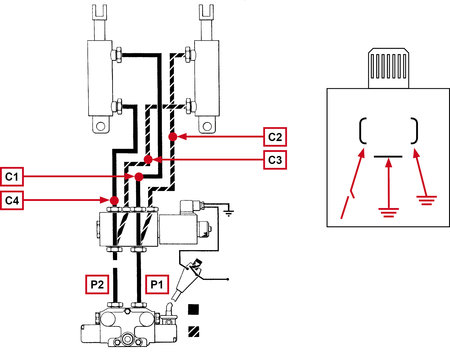
    - 6/2-ventil (s.k. väljarventil)
    - Med hjälp av väljarventilen kan du enkelt öka antalet hydraullinjer på arbetsmaskinen och få ut mer nytta av hydrauliken. I de flesta maskiner är installation av extra ventiler mycket dyr och krånglig, så denna ventil erbjuder en kostnadseffektiv lösning.
    - Ventilen styrs med en elektrisk omkopplare, som kan vara antingen en tryckknapp eller en fast switch.
    - Användningsområden: arbetsmaskiner, foderskärare, olika front- och baklastare, hydrauliska skjutarmar och lutningsregulatorer, andra motsvarande hydrauliska tillsatsaggregat
    - Ventilen kan även monteras direkt på arbetsmaskinen. Den är av stapelbar modell, vilket innebär att en annan likadan ventil kan kopplas i serie, varvid hydrauliken får två extra linjer.
    - När du kopplar samman en eller flera ventiler rekommenderas att använda minst hållfasthetsklass 8.8 bultar eller gängstänger.

    Tekniska data:
    - Spänning 12 V
    - Anslutningar 1/2" ISO A traktorsnabbkoppling 2 x hane, 4 x hona
    - Max. flöde 50 l/min
    - Max. tryck 315 bar (dräneringslinje kopplad) / 210 bar (dräneringslinje ej kopplad)
    - Slangar 2SC 3/8", längd 900 mm

  • I produktgrupper
  • Hydraulventiler
  • Omdömen

Tillbehör och reservdelar

3M spiralformad kabel med Din kontakt, flexibel och hållbar.
102 kr
Lägg i kundvagnen
Info
12V uttag, idealt för tillbehör och elektriska apparater i fordon.
107 kr
- 12 V DC
- max. 25 A
Lägg i kundvagnen
Info
Vippström brytare On/Off 1-Linje, designad för enkel och effektiv användning.
123 kr
Lägg i kundvagnen
Info

Andra köpte även:

Effektiv väljarventil 6/2, 1/2" 12V för precisionskontroll i hydraulik.
2234 kr
Max. flöde 70 l/min
Lägg i kundvagnen
Info
1/2" backventil med max flöde på 70 l/min, för precision.
255 kr
Typ: VU
Max. tryck: 350 bar
Lägg i kundvagnen
Info
Backventil 3/8 tum med en max kapacitet av 45 liter per minut, idealisk för små system.
186 kr
Typ: VU
Max. tryck: 350 bar
Lägg i kundvagnen
Info
Handtag för joystick utan brytare, perfekt för smidig användning.
428 kr
Handtag utan brytare
Lägg i kundvagnen
Info
Logga in
Choose country